Обзор фотокамеры FUJIFILM FINEPIX HS20EXR

фото

Камера FUJIFILM FINEPIX HS20EXR анонсирована 5 января 2011 года. Обычно камеры этого типа классифицируют как подобные зеркальным. Действительно, по внешнему виду, когда объектив установлен на минимальное фокусное расстояние, наша героиня практически неотличима от Canon EOS 1000D с объективом 28-70 мм.

фото

Однако фокусное расстояние у FUJIFILM FINEPIX HS20EXR меняется аж в 30 раз: от 4,2 мм до 126 мм. При максимальном фокусном расстоянии для получения эквивалентной по углу зрения картинки на Canon надо установить 500 мм объектив, и камеры уже перестанут казаться почти одинаковыми.

фото

Вышеприведенная фотография демонстрирует внешнее проявление фундаментального отличия данного класса, связанное с использованием совсем другой по размеру, чем в зеркальных камерах, матрицы. С камерами, как с ростом спортсменов, в некоторых соревнованиях рост - преимущество, а в некоторых - помеха. Можно сформулировать ряд задач, где рассматриваемая камера выиграет не только у 1000D, ни у 1D. Об этом чуть позже, а пока продолжим разбираться с внешним видом.

фото
Вид сверху

фото
Вид снизу
фото
Вид сзади
фото
Вид сзади с повернутым экраном

Основные окна меню отображаемые на экране
меню
меню
меню
меню


снимковменю
меню
меню
меню
меню
меню


меню
меню

фотофото
Вид с боков

Глядя на разъемы камеры, трудно догадаться, что камера может работать с пультом дистанционного управления. Однако ж, может, например, с ИК пультом JJC.

фото

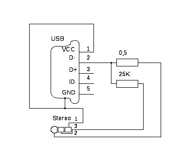
Сам по себе пульт принципиально не отличается от описанного в статье "Спусковые тросики и пульты дистанционного управления". Все отличия только в кабеле, который подсоединяется к разъему USB на камере, но используется этот разъем отнюдь не по протоколу USB. Разобрав маленькую коробочку посередине кабеля, можно обнаружить довольно странную схему:

фото

Три резистора, два из которых запараллелены, и их суммарное сопротивление составляет 26 кОм, и еще одно совсем маленькое, меньше 1 Ома.

схема

Два провода, которые ведут на корпус разъема USB и его первую ножку, на которую обычно подается 5 В, соединены между собой. При наличии такого кабеля для дистанционного управления уже практически больше ничего не нужно - если замкнуть пинцетом два крайних контакта мини стерео штекера, то камера сделает снимок; если замкнуть центральный контакт на корпус, то контакты 1 и 2 разъема USB будут замкнуты через сопротивление в 26 кОм, и камера произведет фокусировку и замер экспозиции, т.е. действия аналогичные тем, что происходят при половинном нажатии на спусковую кнопку. Запараллеленные сопротивления наводят на размышления - зачем это сделано, возможно, что-то плохо понял и приведенная схема неправильная, поэтому предупреждаю тех, кто захочет ее собрать, что они это делают на свой страх и риск.

Теперь несколько слов о начинке, которая отличает данную камеру от классической зеркалки. Во-первых, нет зеркала и, как следствия, дальномера, работающего по фазовому принципу. Автофокусировка осуществляется только по контрасту изображения на матрице, и главное, это матрица маленького размера. В данной камере используется КМОП матрица EXRCMOS размером 6,4х4,8 мм. Т.е. по длинной стороне матрица в 5,6 раза меньше пленочного кадра. Отсюда следует, во-первых, что однолинзовый объектив для этой камеры с равным углом зрения можно сделать почти в шесть раз компактнее пленочного. Во-вторых, если посмотреть на формулу, определяющую глубину резкости, то окажется, что она пропорциональна отношению диафрагменного числа к фокусному расстоянию. Отсюда следует, что при равной величине резко изображаемого пространства диафрагменное число может тоже быть почти в 6 раз меньше. На практике это означает, что если на этой камере установлена диафрагма F:5,6, то для получения аналогичной глубины резкости на камере Canon EOS 5D надо установить диафрагму F:32, на камере 1000D - F:22. Чтобы сохранить неизменной выдержку, на всех перечисленных камерах придется устанавливать разную чувствительность. На FUJIFILM FINEPIX HS20EXR ее можно оставить минимальной, равной ISO-100, на 1000D придется поднять до ISO-1600, на 5D до ISO-3200. При таком раскладе уже совершенно не очевидно, какая из камер будет шуметь больше. Подробное сравнение камер с матрицами разного размера и одинаковым количеством мегапикселей см. в статье "О пейзажной фотографии, глубине резкости, реальном разрешении и камерах разных размеров". Шумы FUJIFILM FINEPIX HS20EXR можно оценить, рассматривая нижеприведенные фрагменты.

ISO-100
ISO-200
ISO-100
ISO-200
ISO-400
ISO-800
ISO-400
ISO-800
ISO-1600
ISO-3200
ISO-1600
ISO-3200
При чувствительности ISO=100 - 3200 возможна съемка с полным разрешением и размером кадра 4608 х 3456
ISO-6400
ISO-12800
ISO-6400
Максимальный размер кадра
3264 х 2448
ISO-12800
Максимальный размер кадра
2304 х 1728
фото
ISO-400. Источник света - Тень. Щелкнув мышью по миниатюре, можно увидеть фрагмент исходного изображения, снятого с разрешением 4608 х 3456.

Сравним глубину резкости кадров, сделанных нашей героиней и Canon 1000D. Для этого рассмотрим снимки отдаленного здания и близлежащей кирпичной стены. Заодно проиллюстрирую диапазон изменения фокусного расстояния двумя снимками, сделанными с одной точки с минимальным и максимальным фокусным расстоянием.

Миниатюры всего кадра
фото
фото
F=4 мм
F=126 мм

Фрагменты
FUJIFILM FINEPIX HS20EXR
Canon EOS 1000D +
Samyang 500 мм
фото
фото
F=126 мм; F:6,4; 1/650 с;
ISO-100
F=500 мм; F:22; 1/400 с;
ISO-400
Дефекты изображения при таком большом расстоянии до объекта связаны не с аппаратами, а с флуктуацией показателя преломления воздуха из-за нагрева от стен здания.

фото
FUJIFILM; F=126 мм; F:5,6; 1/100 с; ISO-100

фото
Canon; F=500 мм; F:8; 1/80 с; ISO-100

фото
Canon; F=500 мм; F:22; 1/200 с; ISO-1600

Результат впечатляет, поскольку при низких чувствительностях такого можно достичь, только используя в зеркальной камере объектив с наклоном. Подробнее об этом методе можно прочитать в статье "Адаптер ARAX для крепления и наклона объективов".

Большая глубина резкости в сочетании с большим относительным отверстием объектива особенно актуальны при макросъемке.

Миниатюры. Щелчок мышью открывает исходное изображение размером 4608 х 3456
фото
фото
F=26 мм; F:8; 1/60 с; ISO-400;
Приоритет диафрагмы;
DR=400%
F=9 мм; F:7; 1/320 с; ISO-400;
Приоритет диафрагмы;
DR=400%
фото
фото
F=24 мм; F:4,5; 1/320 с; ISO-200;
Приоритет диафрагмы;
DR=200%
F=9 мм; F:7; 1/210 с; ISO-100;
Приоритет диафрагмы;
DR=100%

Чтобы закончить с макросъемкой, приведу пример, при котором глубина резкости не нужна. При пересъемке 35 мм диапозитивов с фокусным расстоянием объектива в 16 мм увеличение чуть меньше оптимального, но дисторсия вполне приемлемая, чтобы в дальнейшем ее не корректировать. При меньшем фокусном расстоянии масштаб практически не увеличивается, а вот дисторсия становится заметной.

фото
F=16 мм; F:4; 1/240 с; ISO-400;
EXR Mode Dynamic Range priority;
DR=1600%

При фотоохоте глубина резкости тоже не помешает. В последнем случае, посильную помощь оказывает и стабилизация изображения с помощью сдвига матрицы.

фото
Фрагмент 1:1
F=126 мм; F:8; 1/640 с; ISO-400;
EXR Mode Dynamic Range priority;
DR=1600%

Наличие датчиков перемещения камеры позволяет реализовать электронный уровень в видоискателе.

меню

Неплохо данная камера справляется и со съемкой Луны.

Луна
Уменьшенный вдвое фрагмент кадра размером 4608 х 3456 пикселей.
F=126 мм; F:5,6; 1/200 с; ISO-100

Если кому-то глубина резкости при полностью открытой диафрагме кажется избыточной, то положение можно попытаться исправить, программно выбрав в меню пункт PRO ФОКУС.

меню

Матрицы камер FUJIFILM EXRCMOS отличаются от конкурентов еще и технологией EXR, которая подробно описана в статье Сергея Щербакова "Fujifilm FinePix F200EXR". Этой технологией можно воспользоваться двумя способами - в стандартных режимах повысить чувствительность, например, до ISO-400 и выбрать расширенный динамический диапазон DR - 400%. В этом случае мы можем получить кадр полного 16 Мп разрешения.

меню меню

Второй способ - выбрать колесом на верхней панели режим "EXR", а в меню задать расширенный динамический диапазон, в этом случае получится кадр половинного 8 Мп размера.

   
меню меню
   
меню меню
   
фото
F=9 мм; F:6,4; 1/170 с; ISO-100;
Приоритет диафрагмы;
DR=100%


фото
F=9 мм; F:6,4; 1/320 с; ISO-200;
Приоритет диафрагмы;
DR=200%

фото
F=9 мм; F:6,4; 1/850 с; ISO-400;
EXR Mode Dynamic Range priority;
DR=1600%

Далеко не все программы просмотра позволяют разобраться, в каком же режиме сделан снимок. Из используемых мной с той задачей справилась XnView MP. Богатство встроенных режимов обработки делает режим съемки в сыром формате факультативным. В камере даже не предусмотрена постоянная запись в этом формате, сохранение в RAW надо включать специально для каждого кадра. Из свободных программ, у меня только  RawTherapee Dev-3.1 открыла файл RAF, причем его размер был определен как 3254х2456 пикселей. В результате изощренной обработки можно попытаться еще больше проработать детали в светах, как например на нижеприведенном фрагменте, но в большинстве случаев игра не стоит свеч.

фото
F=9 мм; F:6,4; 1/850 с; ISO-400;

Желающие поэкспериментировать могут скачать исходный файл RAF.

В заключение, о режиме съемки панорам.

меню меню
   
меню меню
   

В результате, получаем:

фото

Панорамы, конечно, не столь большие, как можно было бы получить на компьютере с помощью специализированных программ из серии кадров, но вполне достойные и совсем без напряжения извилин.

22.07.2011